“弱小和无知不是生存的障碍,傲慢才是”,“给岁月以文明,而不是给文明以岁月”,“太阳已经从东方露出一角,把金辉撒向这个从毁灭中幸存的世界”,“没关系的,都一样。”这些均出自科幻小说《三体》,其中章北海是我最喜欢的一个人物,为延续人类文明劈荆斩棘勇往无前,心中信念坚如磐石,泰山崩于前而色不变,个人认为他是真正成功且最为孤独的一位面壁者,只是结局让人心痛的不行。

外层包装上的字样与图案样式均做了特别设计,图案与《三体》的科幻风格很是契合,正面还有致态与《三体》联名的字样,想起了一句知名的台词“就是为了这点醋,我才包的这顿饺子”,个人就是为了《三体》才等这款致态TiPro7000三体联名版固态硬盘,不然早就入手原版了。

包装盒的正面左下角印有《三体》名句:“给岁月以文明,给时光以生命”,右侧印有固态硬盘型号容量版本与标称传输速度,致态TiPro7000三体联名版固态硬盘目前有1TB与2TB两个容量版本可选,1TB版本标称读写速度为7400M/s与5400MB/s,而2TB版本写入速度更高可达6700MB/s。

在包装盒内有致态TiPro7000三体联名版固态硬盘本体、三体联名版散热模块,散热模块安装底座,两片导热胶垫,四颗散热器安装螺丝,主板上专用的螺丝与主板螺柱,三体联名身份卡以及安装说明书等,在配件方面还是很丰富的。

随机附带了一张三体联名身份卡,表面印有“现在我们是同志了”,而三体联名版散热模块的表面雕刻了“给岁月以文明,给时光以生命”,这都是科幻小说《三体》中的名句,散热模块整体为铝合金材质厚度为5mm,握在手里具厚重感,可兼容于PS5游戏主机的固态硬盘安装槽尺寸。

看到在身份卡上印着的那句“现在我们是同志了”,基于共同的选择、共同的喜好与共同的志向,因此可以称之为同志,同时也让我想起了一句话:“没有永恒的敌人或同志,只有永恒的责任”。也许这句话不是在《三体》里最震撼宏大的,却让我最为感触的一段话,上至工作事业下至家庭生活都完全适用,不论是什么年龄什么身份或是身在何处,使命与责任都是无法逃避的。

致态TiPro7000三体联名版固态硬盘采用标准尺寸规格,并采用双面颗粒布局设计,正面的贴纸上标注了型号容量等各种信息,在贴纸的下方则是主控芯片、缓存颗粒与闪存颗粒,固态硬盘搭载长江存储自家架构的第三代3DNANDTLC闪存颗粒。

在固态硬盘的背面还有一颗DDR4缓存芯片以及两颗TLC闪存颗粒,DDR4缓存芯片来自三星,运行频率为2400MHz,单颗容量为512MB,共两颗组成1GB的缓存容量,配备独立外置缓存芯片,在4K读写性能上有着天生的优势。

致态TiPro7000三体联名版固态硬盘搭载长江存储自家第三代3DNANDTLC闪存颗粒,采用长江存储自研架构,单颗闪存芯片接口速度为1600MT/s,闪存颗粒编号为YMN09TC1B1HC6C,正反两面分布各两颗,单颗闪存容量为256GB,共四颗组成1TB的总容量。

固态硬盘与散热模块是分开的,主要是考虑部分电脑主板自带固态硬盘散热片,或可能安装在笔记本电脑上,让用户自己选择是否安装专属的散热模块,散热模块的组装方法很简单,不过在安装散热模块时需要留意主板插槽的方向,不然将固态硬盘安装在主板上时会发现上下颠倒。

通常来说,一款产品的联名版本会比原版的价格会更高,而致态TiPro7000三体联名版的价格与不联名的原版相一致,配置性能方面也完全是相同的,三体联名版仅在外观设计上有加分,可以根据自身需求与喜好去选择,假如是《三体》书迷或读者那必然选择联名版。

实际安装方面,本次搭配测试的硬件配置为英特尔十二代i5-12600K处理器,七彩虹B660M主板,DDR48GB3200内存条*4,硬件平台支持技术,系统为Windows11,固态硬盘安装在主板上首个插槽上,该插槽直连处理器拥有足够的带宽,让固态硬盘的性能得以充分释放。

不同的主板用不同的安装方式,有的主板装卸固态硬盘很是轻松,而这块B660M主板在安装方面就比较繁琐,原主板上插槽仅适合单面颗粒布局设计的固态硬盘,且搭配主板原配的散热模块使用,不然会有安装兼容性的问题。

需要先将主板原来的螺柱与海绵垫拆下来,换成固态硬盘所随机附带的螺柱,然后安装正常步骤即可完成安装,本次搭配固态硬盘自带《三体》风格设计的散热模块使用,虽然主板自带固态硬盘散热片但散热效果很一般,也为了测试固态硬盘自带散热模块的散热效果。

首次安装使用需对固态硬盘进行适当的分区,根据CrystalDiskInfo软件中的检测状态信息可知,致态TiPro7000三体联名版固态硬盘支持协议,并工作在总线通道之下,固态硬盘的固件版本是最新ZTA32F46,格式化后实际可用容量为953GB(1TB容量版)。

接下来对固态硬盘进行基准测试,在CrystalDiskMark8软件中选择1GB数据容量模式,实测固态硬盘的顺序读写速度分别为7218MB/s与5499MB/s,几乎达到总线通道的带宽上限,而4K随机读写速度为85MB/s与360MB/s。

ASSSDBenchmark基准性能测试软件,选择1GB数据容量模式测试,致态TiPro7000三体联名版固态硬盘的顺序读写速度分别为5695MB/s与5432MB/s,4K随机读写分别为78MB/s与317MB/s,读取延迟时间为0.011ms,固态硬盘总得分为8559分。

ATTO基准测试软件,通过不同大小的数据测试包对固态硬盘进行读写测试,致态TiPro7000三体联名版固态硬盘在0.5KB小文件读写速度能达到106MB/s与35MB/s,从数据体积1MB以上读写速度可达6.59GB/s与5.16GB/s。

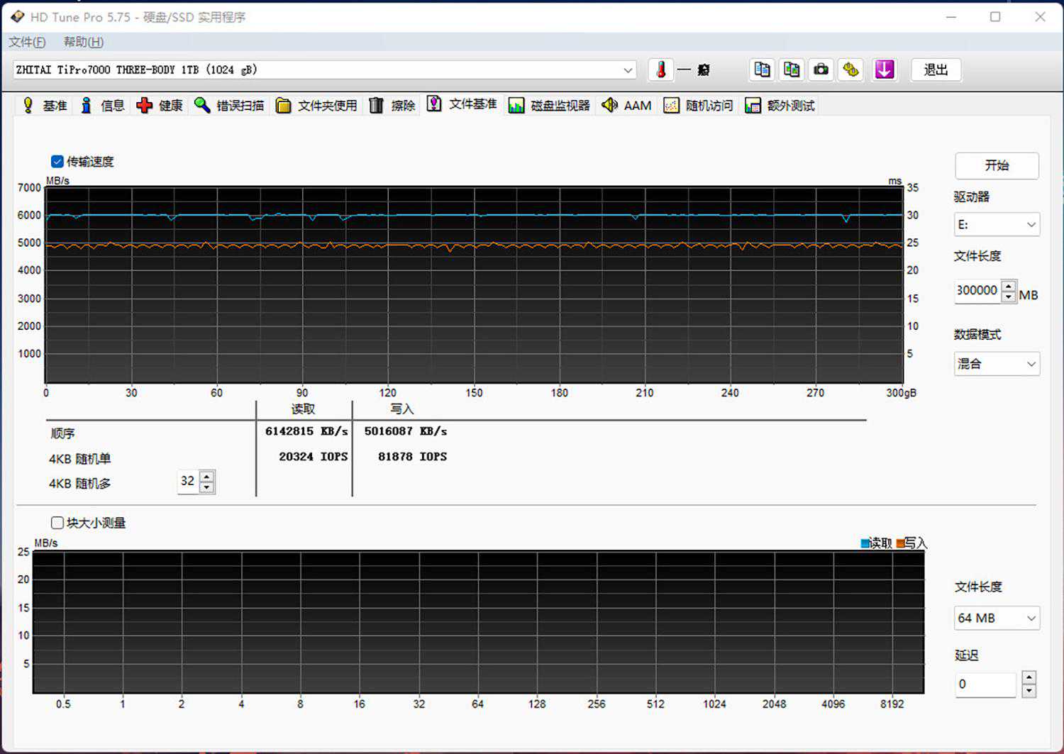
HDTunePro基准测试软件,测试数据量为300GB(最大只能设为300GB,再往上软件会报错),并选择混合数据模式,从实际测试结果来看,在空盘状态下,固态硬盘的读写速度全程能保持在6GB/s与5GB/s左右,写入速度未出现下降。

PCMark10基准测试软件,硬盘性能测试具备多个不同项目可选,先选择完整系统盘基准测试项目,模拟作为系统盘使用状态,致态TiPro7000三体联名版固态硬盘的测试成绩为3640分,测试带宽为581.47MB/s,平均存取时间为0.046ms。

数据盘基准测试项目,模拟作为数据盘使用状态,由于测试内容较少测试运行时间较短,致态TiPro7000三体联名版固态硬盘在该项目的测试成绩为5359分,测试带宽为821.86MB/s,平均存取时间为0.03ms。

3DMark基准测试软件,选择存储基准测试项目,致态TiPro7000三体联名版固态硬盘在空盘状态下测试成绩为3027分,测试平均带宽为524.44MB/s,平均存取时间为0.06ms,移动游戏时带宽为2871.31MB/s。


ASSSDBenchmark基准测试软件,测得固态硬盘在90%存储空间占用率下的顺序读写速度分别为5715MB/s与5285MB/s,总得分为8459分,而在CrystalDiskMark8基准测试软件中,顺序读写速度分别为7120MB/s与5542MB/s。

HDTunePro基准测试软件,设测试数据量为70GB混合模式,从测试结果来看,在90%存储空间占用率下,SLC缓内读取速度为6GB/s,全程未出现降速,写入速度可达5GB/s,当SLC缓存空间耗尽,写入速度会降至1.5GB/s左右。

在90%存储空间占用率状态下,跑3DMark基准测试软件的存储基准测试项目,测试成绩为3068分,平均带宽为529.89MB/s,平均存取时间为0.059ms,分别测试在空盘状态下与90%存储空间占用率状态下,固态硬盘的读写性能表现并无明显差异。

固态硬盘的读写性能基准测试已经完成了,接下来测试固态硬盘的温度表现,假如散热不佳可能会触发高温保护机制,导致降速等情况,致态TiPro7000三体联名版固态硬盘自带有铝金属材质的散热模块,测试时气温为30℃,同时处于非开放式散热环境。

利用基准测试软件HDTunePro,对固态硬盘持续高速读写300GB数据文件时,测试全程均为满速状态,根据硬件监测软件所示,固态硬盘的温度最高只有65℃,当压力测试完结后,固态硬盘的温度呈现阶梯式的缓慢下降。

往固态硬盘复制游戏文件数据,总数据量约为858GB,平均写入速度为500MB/s,整个数据写入过程,固态硬盘的温度最高只有62℃,温控表现相当的出色,自带的散热模块的性能也挺不错,比起主板自带的散热模块更强。

总评
此次致态TiPro7000三体联名版固态硬盘的外观设计做得很不错,尤其是那极具《三体》风格设计的铝合金散热模块,表面雕刻了“给岁月以文明,给时光以生命”,以及印有“现在我们是同志了”的身份卡,对于我等《三体》的忠实读者来说,这都具有很高的收藏价值,而且在价格上非常的厚道,并没因为是联名款而提高价格。其实个人认为致态与《三体》彼此在一些层面存在着关联性与相似性,比如两者均出自中国,又如《三体》讲述了未来的文明兴衰历程,固态硬盘记录存储当下的岁月时光,让世间美好长存。
致态TiPro7000三体联名版固态硬盘的硬件素质各方面表现都很好,可兼容于PS5游戏主机的扩展安装槽尺寸,搭载长江存储第三代3DNANDTLC闪存颗粒,实测顺序读取速度可超过7200MB/s,顺序写入速度可达5500MB/s,其读写性能表现必然属于固态硬盘中的第一梯队,速度是旗舰级固态硬盘两倍,也让游戏娱乐与媒体剪辑的加载速度有明显的提升,而且固态硬盘的温度控制表现也很出色,披着相当厚重的铝合金散热模块,在连续大量写入数据时完全没出现因碰温度墙而掉速的情况,可实现高速持续稳定的读写数据,无论你是《三体》忠实读者还是硬件爱好者都值得去选择。





![液体包装机多少钱一台,2023液体包装机价格详情[含价格表] 液体包装机多少钱一台,2023液体包装机价格详情[含价格表]](/imgs/baidou-v2/upload/2024/12/30/1712925683025362.jpeg)